- Úvod
- >>
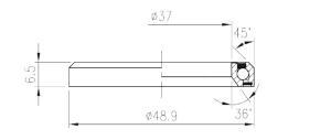
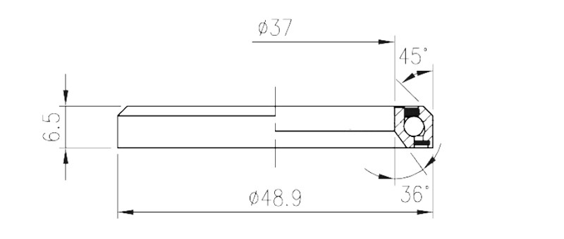
- FSA ložisko hl. zloženia-IS-2-138 ACB 36°x45° 1-3/8 Dual S MR031-OD 48.9
FSA ložisko hl. zloženia-IS-2-138 ACB 36°x45° 1-3/8 Dual S MR031-OD 48.9
Náhradné 1-3/8" oceľové ložisko FSA s kosouhlým stykom (ACB - Angular Contact Ball bearings) určené pre hlavové zloženia.
Ložiská s kosouhlým stykom majú v smere osi ložiska vzájomne posunuté obežné dráhy medzi vnútorným a vonkajším krúžkom. Vysoká presnosť chodu je zabezpečená vďaka optimalizovanej vnútornej konštrukcii, ktorá umožňuje zachytávanie súčasne pôsobiaceho radiálneho a axiálneho zaťaženia.
Rozmery 48.9 x 37.0 x 6.5mm; 36°x45°.
Hmotnosť 32g.

